Описание
Характеристики
Отзывы
Описание
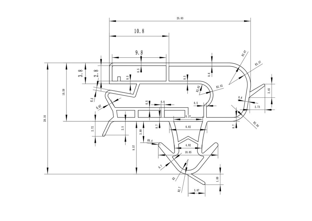
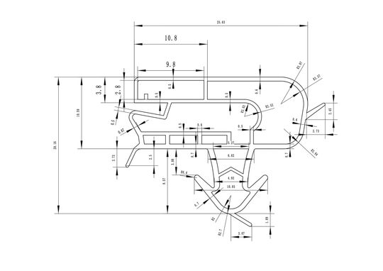
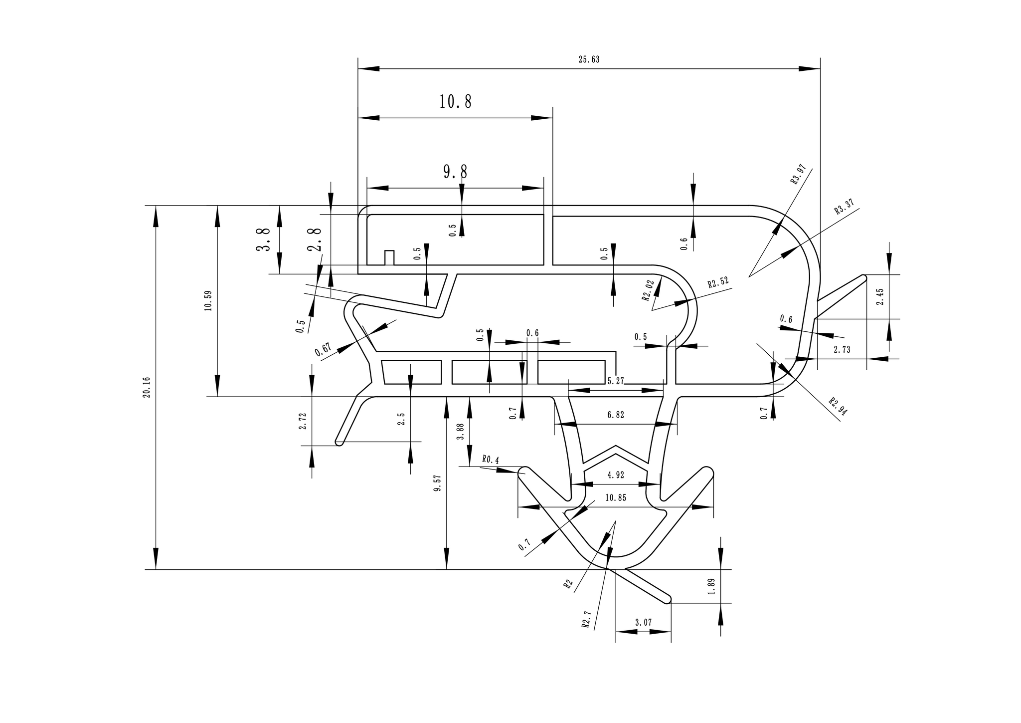
Уплотнитель изготавливается на заказ по предоплате. Размеры и толщину профиля проверять!
Рекомендуем связаться с менеджером для оформления заказа.
Внимание! Товар НЕ ПОДЛЕЖИТ возврату или обмену в следующих случаях:
- был в употреблении, присутствуют какие-либо признаки эксплуатации (следы клея, разрывы, механические повреждения и т.п.)
- не сохранены товарный вид или потребительские свойства товара (мятый, деформированный, грязный и т.д.).
- если прошло более 7 дней с момента получения товара.
Характеристики
Вид
резина двери
Состояние
новый
Материал
мягкий ПВХ
Страна производства
Россия
Цвет
белый
Тип профиля
038
Способ крепления
в паз
Размер
1145*715 по пазу
Оплата
Предоплата 50% или 100%
Наличие
Нет
Отзывы
Отзывов еще никто не оставлял
Похожие товары
